GM Service Manual Online
For 1990-2009 cars
Makes
🢒
Holden
🢒
2009
🢒
Viva
🢒
Body Systems
🢒
Lighting
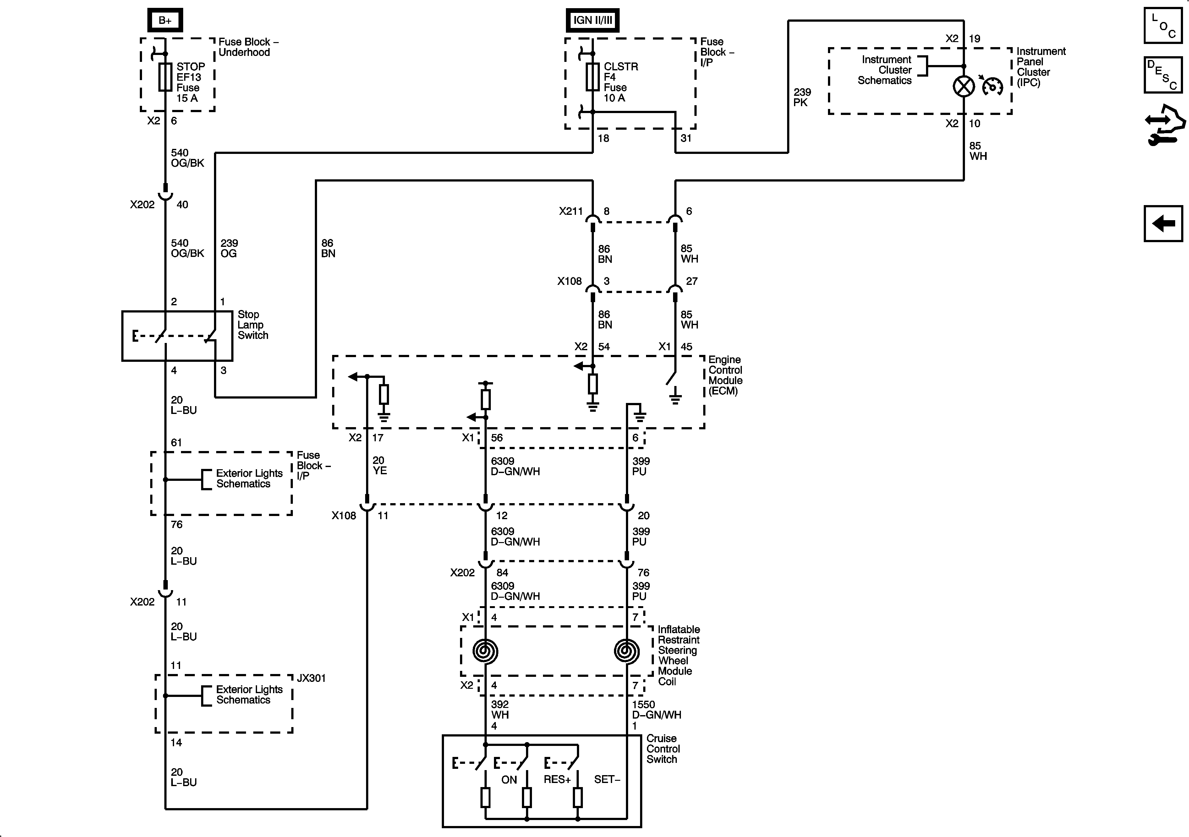
🢒 Cruise Control Schematics
Cruise Control Schematics Except Holden
Figure
1:
Manual Transmission w/o Throttle Actuator Control
Figure
2:
Automatic Transmission w/o Throttle Actuator Control
Figure
3:
with Throttle Actuator Control
Figure
4:
Diesel