GM Service Manual Online
For 1990-2009 cars
Makes
🢒
Holden
🢒
2009
🢒
Viva
🢒
Engine
🢒
Engine Controls and Fuel - 1.6L (LXT)
🢒 Engine Controls Schematics
Figure
1:
Module Power, Ground, Serial Data, Malfunction Indicator Lamp (MIL)
Figure
2:
Engine Data Sensors - Pressure and Temperature
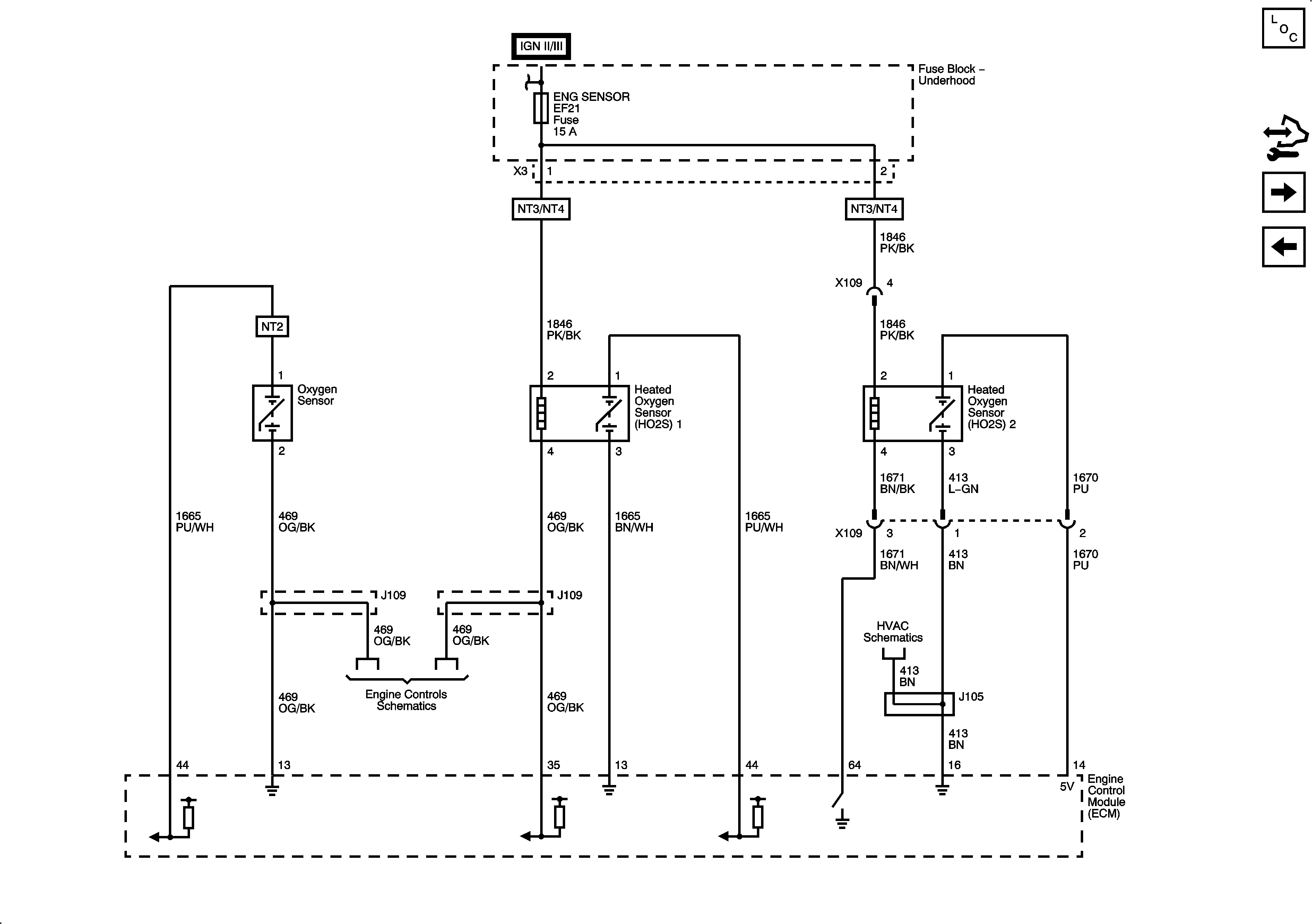
Figure
3:
Oxygen Sensors (O2S)
Figure
4:
Ignition System
Figure
5:
CMP, CKP, Knock, Rough Road Sensors, Power Steering Pressure Switch
Figure
6:
Main Throttle Intake Actuator (MTIA)
Figure
7:
Fuel Pump Controls and Fuel Injectors
Figure
8:
Intake Manifold Turning Valve, EVAP, EGR, Octane Selection Switch
Figure
9:
Controlled/Monitored Subsystem References