GM Service Manual Online
For 1990-2009 cars
Makes
🢒
Holden
🢒
2008
🢒
Viva
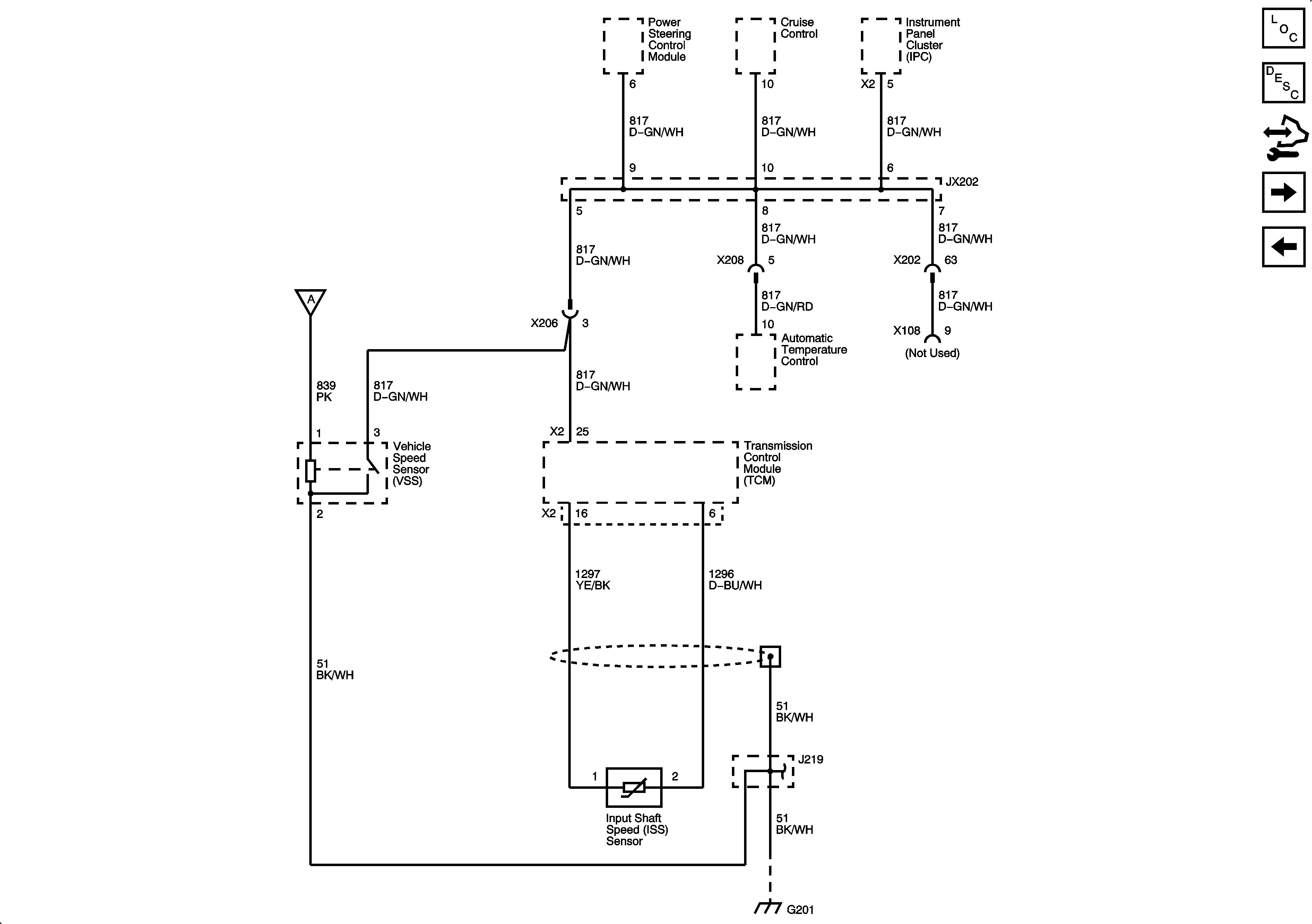
🢒 Vehicle Speed and Input Speed Sensors
Vehicle Speed and Input Speed Sensors
Vehicle Speed and Input Speed Sensors
Master Electrical Component List
Control Module References
Park/Neutral Position (PNP) Switch
Stop Lamp Switch and Transmission Solenoids
Module Power, Ground, Malfunction Indicator Lamp (MIL), Hold Lamp, and Serial Data
G201 - 1 of 2