GM Service Manual Online
For 1990-2009 cars
Figure 1:

Fuse Block - Underhood B+ Bus, 1 of 3


Object Number: 1963081  Size: FS
Master Electrical Component List
Control Module References
Fuse Block - Underhood B+ Bus, 2 of 3
Fuse Block - Underhood B+ Bus, 2 of 3
Figure 2:

Fuse Block - Underhood B+ Bus, 2 of 3


Object Number: 1963088  Size: FS
Master Electrical Component List
Control Module References
Fuse Block - Underhood B+ Bus, 3 of 3 and Auxiliary Fuse Block
Fuse Block - Underhood B+ Bus, 1 of 3
Fuse Block - Underhood B+ Bus, 1 of 3
Fuse Block - Underhood B+ Bus, 3 of 3 and Auxiliary Fuse Block
Fuse Block - Underhood B+ Bus, 3 of 3 and Auxiliary Fuse Block
Figure 3:

Fuse Block - Underhood B+ Bus, 3 of 3 and Auxiliary Fuse Block


Object Number: 1963102  Size: FS
Master Electrical Component List
Control Module References
Fuse Block - Underhood HVAC BLWR, ABS, and HORN Fuses
Fuse Block - Underhood B+ Bus, 2 of 3
Fuse Block - Underhood B+ Bus, 2 of 3
Fuse Block - Underhood B+ Bus, 2 of 3
Fuse Block - Underhood B+ Bus, 2 of 3
Fuse Block - Underhood B+ Bus, 2 of 3
Fuse Block - Underhood B+ Bus, 2 of 3
Figure 4:

Fuse Block - Underhood HVAC BLWR, ABS and HORN Fuses


Object Number: 1963110  Size: FS
Master Electrical Component List
Control Module References
Fuse Block - Underhood IP FUSE, DR LOCK and STOP LAMPS Fuses
Fuse Block - Underhood B+ Bus, 3 of 3 and Auxiliary Fuse Block
Fuse Block - Underhood B+ Bus, 1 of 3
Figure 5:

Fuse Block - Underhood IP FUSE, DR LOCK and STOP LAMPS Fuses


Object Number: 1963119  Size: FS
Master Electrical Component List
Control Module References
Fuse Block - Underhood DRIVERS PWR/WNDW and PWR WNDW Fuses and PWR WNDW Relay
Fuse Block - Underhood HVAC BLWR, ABS, and HORN Fuses
Fuse Block - Underhood B+ Bus, 1 of 3
Figure 6:

Fuse Block - Underhood DRIVER'S PWR/WNDW and PWR WNDW Fuses


Object Number: 1963126  Size: FS
Master Electrical Component List
Control Module References
Fuse Block-Underhood HEAD LAMPS, LOW BEAM LT, LOW BEAM RT Fuses and HEAD LAMPS Relay
Fuse Block - Underhood IP FUSE, DR LOCK and STOP LAMPS Fuses
Fuse Block - Underhood B+ Bus, 1 of 3
Figure 7:

Fuse Block - Underhood HEAD LAMPS, LOW BEAM LT, LOW BEAM RT Fuses and HEAD LAMPS Relay


Object Number: 1963139  Size: FS
Master Electrical Component List
Control Module References
Fuse Block - Underhood ILLUM LT and ILLUM RT Fuses and ILLUM Relay
Fuse Block - Underhood DRIVERS PWR/WNDW and PWR WNDW Fuses and PWR WNDW Relay
Fuse Block - Underhood B+ Bus, 1 of 3
Figure 8:

Fuse Block - Underhood ILLUM LT, ILLUM RT Fuses and ILLUM Relay


Object Number: 1963149  Size: FS
Master Electrical Component List
Control Module References
JX204
Fuse Block-Underhood HEAD LAMPS, LOW BEAM LT, LOW BEAM RT Fuses and HEAD LAMPS Relay
JX204
Figure 9:

JX204


Object Number: 1963158  Size: FS
Master Electrical Component List
Control Module References
Fuse Block - Underhood A/C, DEFOG and MIR HTD Fuses
Fuse Block - Underhood ILLUM LT and ILLUM RT Fuses and ILLUM Relay
Fuse Block - Underhood ILLUM LT and ILLUM RT Fuses and ILLUM Relay
Figure 10:

Fuse Block - Underhood A/C, DEFOG, and MIR HTD Fuses


Object Number: 1963171  Size: FS
Master Electrical Component List
Control Module References
Fuse Block - Underhood MAIN Relay, ECM, ENG SNSR and INJ Fuses - 1.6L
JX204
Fuse Block - Underhood B+ Bus, 1 of 3
Figure 11:

Fuse Block - Underhood MAIN Relay, ECM, ENG SNSR, and INJ Fuses - 1.6L


Object Number: 1963183  Size: FS
Master Electrical Component List
Control Module References
Fuse Block - Underhood IGNITION Relay, ECM, ENG SNSR and INJ Fuses - 1.4L, 1.8L
Fuse Block - Underhood A/C, DEFOG and MIR HTD Fuses
Fuse Block - Underhood B+ Bus, 1 of 3
Figure 12:

Fuse Block - Underhood IGNITION Relay, ECM, ENG SNSR, and INJ Fuses - 1.4L, 1.8L


Object Number: 1963203  Size: FS
Master Electrical Component List
Control Module References
Fuse Block - Underhood MAIN Relay, ECM, ENG SNSR and INJ Fuses - 2.0L (L34)
Fuse Block - Underhood MAIN Relay, ECM, ENG SNSR and INJ Fuses - 1.6L
Fuse Block - Underhood B+ Bus, 1 of 3
Figure 13:

Fuse Block - Underhood MAIN Relay, ECM, ENG SNSR, and INJ Fuses - 2.0L (L34)


Object Number: 1963229  Size: FS
Master Electrical Component List
Control Module References
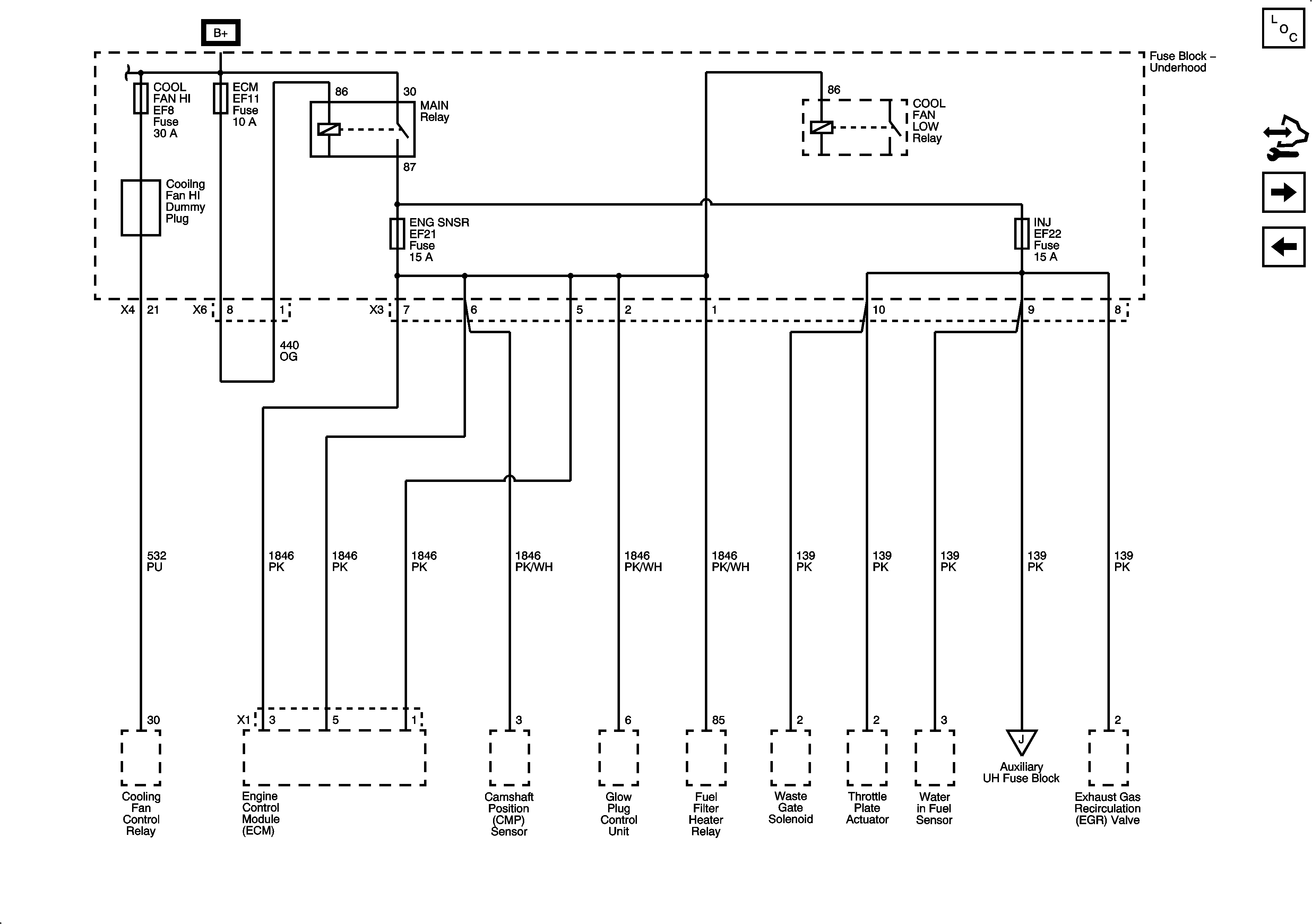
Fuse Block - Underhood MAIN Relay, COOL FAN HI, ECM, ENG SNSR and INJ Fuses - 2.0L Diesel
Fuse Block - Underhood IGNITION Relay, ECM, ENG SNSR and INJ Fuses - 1.4L, 1.8L
Fuse Block - Underhood B+ Bus, 3 of 3 and Auxiliary Fuse Block
Figure 14:

Fuse Block - Underhood MAIN Relay, COOL FAN HI, ECM, ENG SNSR and INJ Fuses - 2.0L Diesel


Object Number: 1963240  Size: FS
Master Electrical Component List
Control Module References
Fuse Block - Underhood FUEL PUMP Relay and FUEL PUMP, IGN COIL Fuses
Fuse Block - Underhood MAIN Relay, ECM, ENG SNSR and INJ Fuses - 2.0L (L34)
Fuse Block - Underhood B+ Bus, 3 of 3 and Auxiliary Fuse Block
Figure 15:

Fuse Block - Underhood FUEL PUMP Relay and FUEL PUMP, IGN COIL Fuses


Object Number: 1963259  Size: FS
Master Electrical Component List
Control Module References
Fuse Block - Underhood BATT MAIN, IGN 1, IGN 2 Fuses, Ignition Switch, Fuse Block-I/P RADIO, IMMOBILIZER, DLC, A/C CLK, HAZARD, RKE, TCM, REAR FOG Fuses
Fuse Block - Underhood MAIN Relay, COOL FAN HI, ECM, ENG SNSR and INJ Fuses - 2.0L Diesel
Fuse Block - Underhood B+ Bus, 1 of 3
Figure 16:

Fuse Block - Underhood BATT MAIN, IGN 1 and IGN 2 Fuses, Ignition Switch, Fuse Block - I/P RADIO, IMMOBILIZER, DLC, A/C CLK, HAZARD, RKE, TCM, and REAR FOG Fuses


Object Number: 1963287  Size: FS
Master Electrical Component List
Control Module References
Fuse Block - I/P CLSTR, AIRBAG, BCK/UP Fuses
Fuse Block - Underhood FUEL PUMP Relay and FUEL PUMP, IGN COIL Fuses
Fuse Block - Underhood B+ Bus, 1 of 3
Fuse Block - I/P CLSTR, AIRBAG, BCK/UP Fuses
Fuse Block - I/P RADIO/CLK, AUX LTR, LTR Fuses
Fuse Block - I/P HVAC and S/ROOF Fuses
Figure 17:

Fuse Block - I/P CLSTR, AIRBAG, BCK/UP Fuses


Object Number: 1963292  Size: FS
Master Electrical Component List
Control Module References
Fuse Block - I/P ABS, IMMOBILIZER, WPR, TRN SIG LAMPS Fuses
Fuse Block - Underhood BATT MAIN, IGN 1, IGN 2 Fuses, Ignition Switch, Fuse Block-I/P RADIO, IMMOBILIZER, DLC, A/C CLK, HAZARD, RKE, TCM, REAR FOG Fuses
Fuse Block - Underhood BATT MAIN, IGN 1, IGN 2 Fuses, Ignition Switch, Fuse Block-I/P RADIO, IMMOBILIZER, DLC, A/C CLK, HAZARD, RKE, TCM, REAR FOG Fuses
Fuse Block - I/P ABS, IMMOBILIZER, WPR, TRN SIG LAMPS Fuses
Figure 18:

Fuse Block - I/P ABS, IMMOBILIZER, WPR, TRN SIG LAMPS Fuses


Object Number: 1963295  Size: FS
Master Electrical Component List
Control Module References
Fuse Block - I/P ECM Fuse
Fuse Block - I/P CLSTR, AIRBAG, BCK/UP Fuses
Fuse Block - I/P CLSTR, AIRBAG, BCK/UP Fuses
Figure 19:

Fuse Block - I/P ECM Fuse


Object Number: 1963441  Size: FS
Master Electrical Component List
Control Module References
Fuse Block - I/P HVAC and S/ROOF Fuses
Fuse Block - I/P ABS, IMMOBILIZER, WPR, TRN SIG LAMPS Fuses
Fuse Block - Underhood B+ Bus, 1 of 3
Figure 20:

Fuse Block - I/P HVAC and S/ROOF Fuses


Object Number: 1963450  Size: FS
Master Electrical Component List
Control Module References
Fuse Block - I/P RADIO/CLK, AUX LTR, LTR Fuses
Fuse Block - I/P ECM Fuse
Fuse Block - Underhood BATT MAIN, IGN 1, IGN 2 Fuses, Ignition Switch, Fuse Block-I/P RADIO, IMMOBILIZER, DLC, A/C CLK, HAZARD, RKE, TCM, REAR FOG Fuses
Figure 21:

Fuse Block - I/P RADIO/CLK, AUX LTR, LTR Fuses


Object Number: 1963458  Size: FS
Master Electrical Component List
Control Module References
Fuse Block - I/P HVAC and S/ROOF Fuses
Fuse Block - Underhood BATT MAIN, IGN 1, IGN 2 Fuses, Ignition Switch, Fuse Block-I/P RADIO, IMMOBILIZER, DLC, A/C CLK, HAZARD, RKE, TCM, REAR FOG Fuses