GM Service Manual Online
For 1990-2009 cars
Makes
🢒
Holden
🢒
2008
🢒
Viva
🢒
Diagnostic Navigation
🢒
Vehicle Diagnostic Information
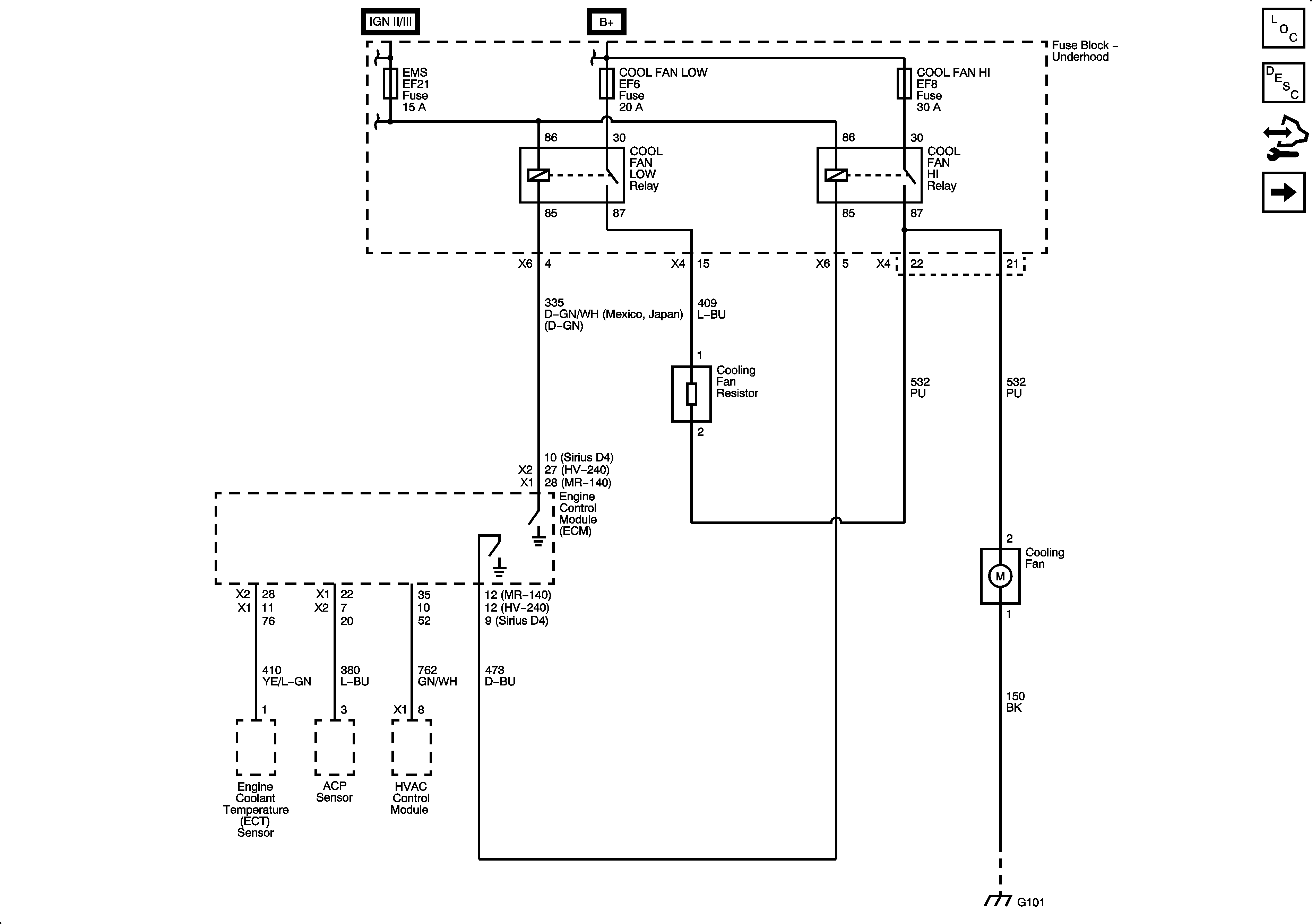
🢒 Engine Cooling Schematics
Figure
1:
Single Fan
Master Electrical Component List
Control Module References
Diesel
Fuse Block - Underhood B+ Bus, 1 of 3
Fuse Block - Underhood B+ Bus, 1 of 3
G101
Figure
2:
Diesel
Master Electrical Component List
Cooling System Description and Operation (Gasoline)
Control Module References
Dual Fans
Single Fan
Fuse Block - Underhood B+ Bus, 1 of 3
Fuse Block - Underhood B+ Bus, 1 of 3
Compressor Controls Sirius D4, MR140, MT34
Compressor Controsl Sirius D4
G101
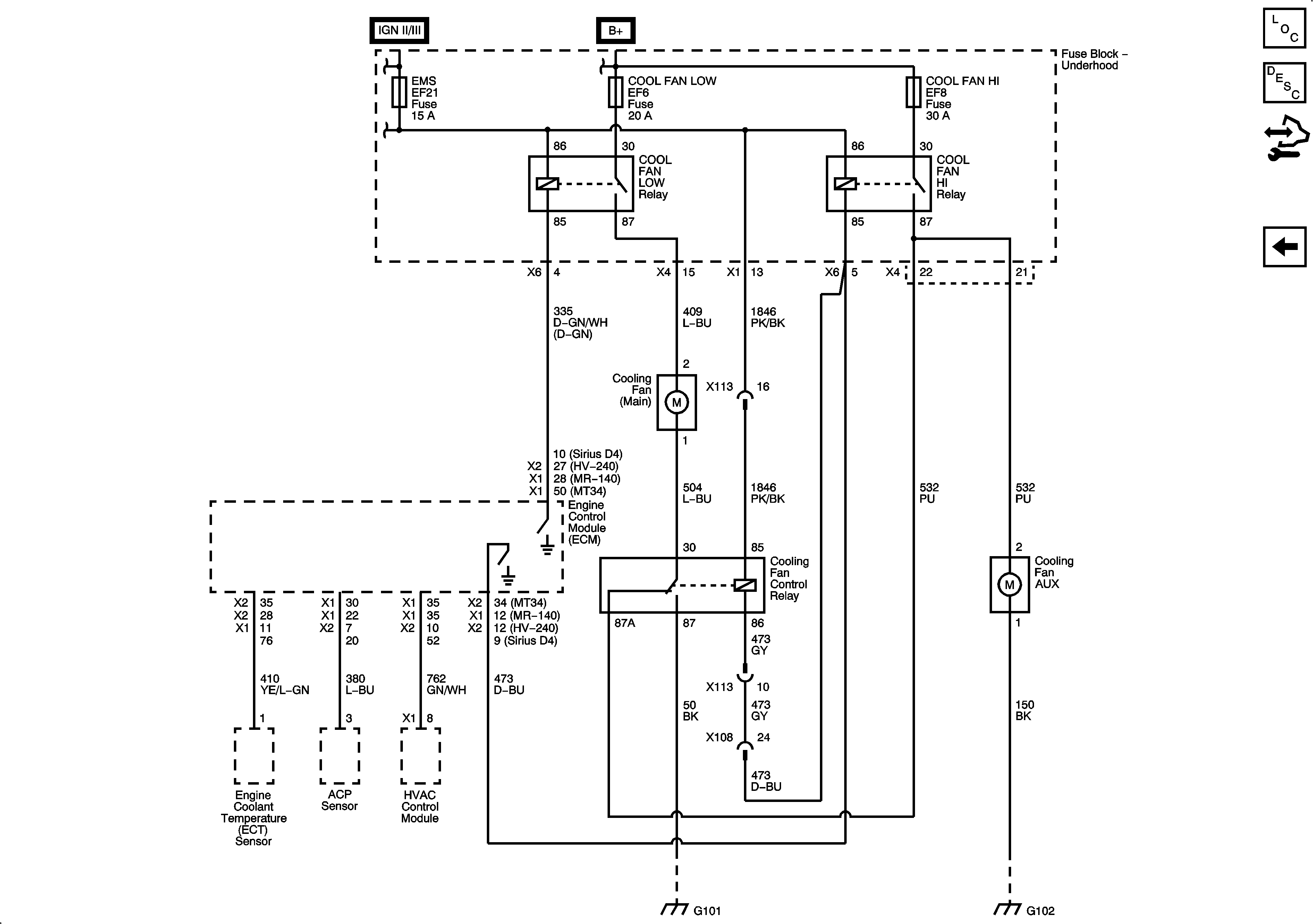
Figure
3:
Dual Fans
Master Electrical Component List
Control Module References
Diesel
Fuse Block - Underhood B+ Bus, 1 of 3
Fuse Block - Underhood B+ Bus, 1 of 3
G101
G102