GM Service Manual Online
For 1990-2009 cars
Figure 1:

Module Power, Ground, Serial Data, Malfunction Indicator Lamp (MIL)


Object Number: 1956669  Size: FS
Master Electrical Component List
Control Module References
Engine Data Sensors - Pressure and Temperature
Fuse Block - Underhood B+ Bus, 1 of 3
Fuse Block - Underhood B+ Bus, 1 of 3
Fuse Block - Underhood B+ Bus, 1 of 3
Power, Ground, I/P Illumination, and Door Open Indicators
G104
Module Power, Ground, Malfunction Indicator Lamp (MIL), Hold Lamp, and Serial Data
Data Communication
Figure 2:

Engine Data Sensors - Pressure and Temperature


Object Number: 1956670  Size: FS
Master Electrical Component List
Control Module References
Oxygen Sensors (O2S)
Module Power, Ground, Sensor Data, Malfunction Indicator Lamp (MIL)
D16
Figure 3:

Oxygen Sensors (O2S)


Object Number: 1956671  Size: FS
Master Electrical Component List
Control Module References
Ignition System
Engine Data Sensors - Pressure and Temperature
Fuse Block - Underhood B+ Bus, 1 of 3
Figure 4:

Ignition System


Object Number: 1956672  Size: FS
Master Electrical Component List
Control Module References
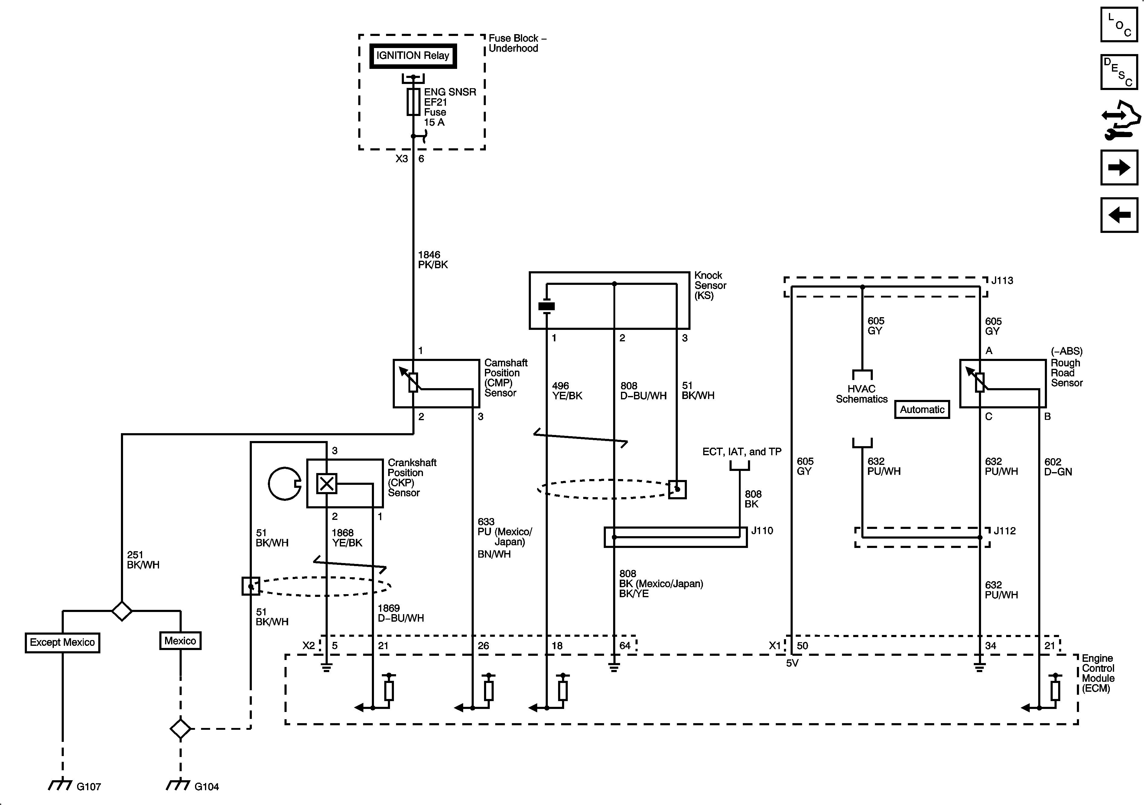
CKP, CMP, Knock, Rough Road Sensors
Oxygen Sensors (O2S)
Fuse Block - Underhood B+ Bus, 1 of 3
Power, Ground, I/P Illumination, and Door Open Indicators
Figure 5:

CKP, CMP, Knock, Rough Road Sensors


Object Number: 1956673  Size: FS
Master Electrical Component List
Control Module References
Fuel Pump and Fuel Injectors
Ignition System
Fuse Block - Underhood B+ Bus, 1 of 3
Engine Data Sensors - Pressure and Temperature
Engine Data Sensors - Pressure and Temperature
G106, G107
G104
Figure 6:

Fuel Pump and Fuel Injectors


Object Number: 1956674  Size: FS
Master Electrical Component List
Control Module References
Fuel Controls - Evap Controls
CKP, CMP, Knock, Rough Road Sensors
Fuse Block - Underhood B+ Bus, 1 of 3
Fuse Block - Underhood B+ Bus, 1 of 3
Power, Ground, I/P Illumination, and Door Open Indicators
G106, G107
G302
Figure 7:

Fuel Controls - EVAP Controls


Object Number: 1956675  Size: FS
Master Electrical Component List
Control Module References
Device Controls
Fuel Pump and Fuel Injectors
Fuse Block - Underhood B+ Bus, 1 of 3
Fuse Block - Underhood B+ Bus, 1 of 3
Park Lamps and License Plate Lamps
Engine Data Sensors - Pressure and Temperature
Figure 8:

Device Controls


Object Number: 1956676  Size: FS
Master Electrical Component List
Control Module References
Controlled/Monitored Subsystem References
Fuel Controls - Evap Controls
Fuse Block - Underhood B+ Bus, 1 of 3
G104
Figure 9:

Controlled/Monitored Subsystem References


Object Number: 1956677  Size: FS
Master Electrical Component List
Control Module References
Device Controls
Power, Ground, Wheel Speed Sensors
Power, Ground, I/P Illumination, and Door Open Indicators
Single Fan
Blower Controls
Blower Controls