GM Service Manual Online
For 1990-2009 cars
Figure 1:

Blower Controls


Object Number: 1889225  Size: FS
Master Electrical Component List
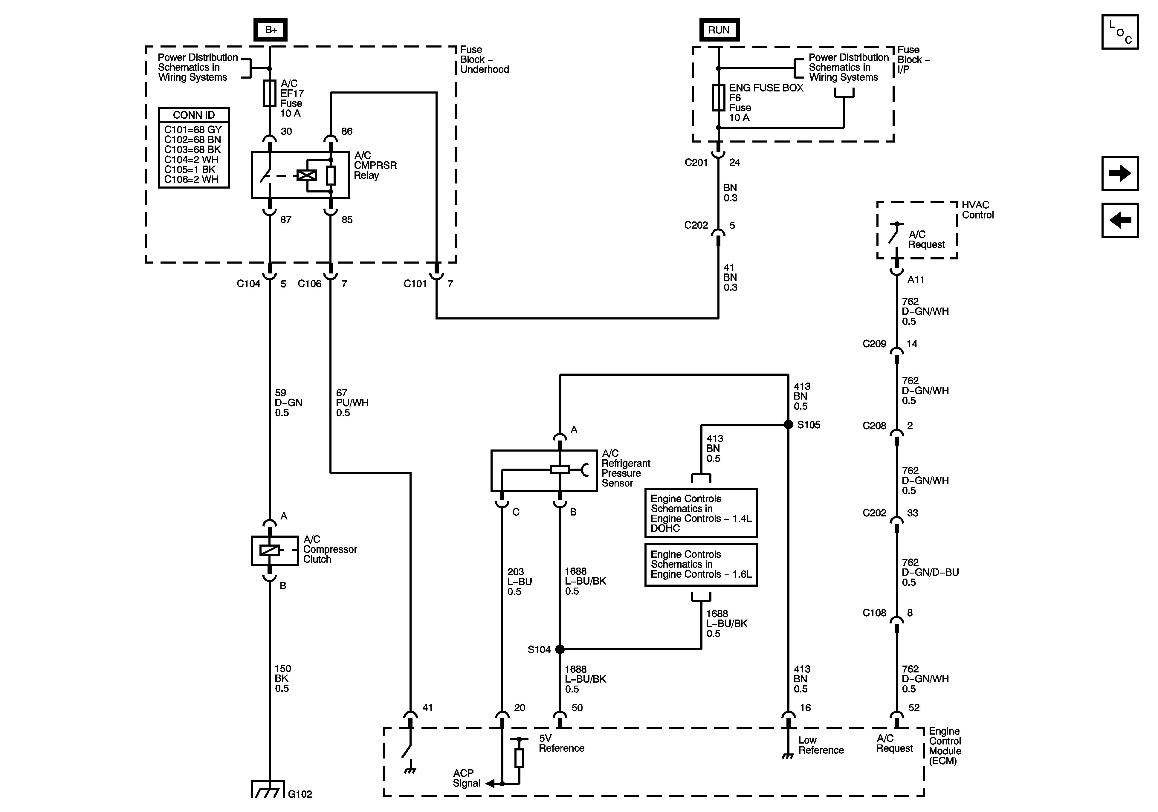
Compressor Controls Sirius D4
Underhood Fuse Block - Battery Feeds - 1of 2
Underhood Fuse Block - Battery Feeds - 1of 2
Air Delivery and Temperature Controls
G101
G101
G201 (1 of 2)
G203
Figure 2:

Compressor Controls - Sirius D4


Object Number: 1471569  Size: FS
Master Electrical Component List
Compressor Controls MR 140
Blower Controls
Underhood Fuse Block - Battery Feeds - 1of 2
Underhood Fuse Block - Battery Feeds - 1of 2
Module Power, Ground, Serial Data, Malfunction Indicator Lamp (MIL)
CKP, CMP, Knock, Rough Road Sensors
G102
Figure 3:

Compressor Controls - MR-140


Object Number: 1471568  Size: FS
Master Electrical Component List
Compressor Controls HV-240
Compressor Controls Sirius D4
Underhood Fuse Block - Battery Feeds - 1of 2
Underhood Fuse Block - Battery Feeds - 1of 2
Module Power, Ground, Serial Data, Malfunction Indicator Lamp (MIL)
Cruise Control Schematics
G102
Figure 4:

Compressor Controls - HV-240


Object Number: 1471570  Size: FS
Master Electrical Component List
Compressor Controls - Diesel
Compressor Controls MR 140
Underhood Fuse Block - Battery Feeds - 1of 2
Underhood Fuse Block - Battery Feeds - 1of 2
Module Power, Ground, Serial Data, Malfunction Indicator Lamp (MIL)
G102
Figure 5:

Compressor Controls - Diesel


Object Number: 1888498  Size: FS
Master Electrical Component List
Control Module References
Air Delivery and Temperature Controls
Compressor Controls HV-240
Underhood Fuse Block - Battery Feeds - 1of 2
Underhood Fuse Block - Battery Feeds - 1of 2
G102
Figure 6:

Air Delivery and Temperature Controls


Object Number: 1844954  Size: FS
Master Electrical Component List
Control Module References
HVAC Sensors
Compressor Controls - Diesel
Underhood Fuse Block - BATT PWR, IGN 1 and IGN 2, Fuses, Ignition Switch, I/P Fuse Block - RADIO, IMMOBILIZER, DLC, AUTO A/C, HAZARD LAMPS, RKE TCM, and REAR FOG/CRUISE Fuses
Defogger Schematics
Manual Transmission Schematics
Manual Transmission Schematics
Manual Transmission Schematics
Vehicle Speed and Input Speed Sensors
Vehicle Speed Signal
Input Shaft, Output Shaft, Vehicle Speed Sensors
G203
G203
Figure 7:

HVAC Sensors


Object Number: 1889226  Size: FS
Master Electrical Component List
Air Delivery and Temperature Controls