GM Service Manual Online
For 1990-2009 cars
Figure 1:

Underhood Fuse Block - Battery Feeds 1 of 3


Object Number: 1360796  Size: FS
Master Electrical Component List
Underhood Fuse Block Battery Feeds - 2 of 3
Underhood Fuse Block Battery Feeds - 2 of 3
Figure 2:

Underhood Fuse Block - Battery Feeds 2 of 3


Object Number: 1360797  Size: FS
Master Electrical Component List
Underhood Fuse Block Battery Feeds - 3 of 3
Underhood Fuse Block - Battery Feeds - 1of 2
Underhood Fuse Block - Battery Feeds - 1of 2
Underhood Fuse Block Battery Feeds - 3 of 3
Underhood Fuse Block Battery Feeds - 3 of 3
Figure 3:

Underhood Fuse Block - Battery Feeds 3 of 3


Object Number: 1708718  Size: FS
Master Electrical Component List
Control Module References
Underhood Fuse Block - HVAC Blower, ABS, and HORN Fuses
Underhood Fuse Block Battery Feeds - 2 of 3
Underhood Fuse Block Battery Feeds - 2 of 3
Underhood Fuse Block Battery Feeds - 2 of 3
Underhood Fuse Block Battery Feeds - 2 of 3
Underhood Fuse Block Battery Feeds - 2 of 3
Underhood Fuse Block Battery Feeds - 2 of 3
Figure 4:

Underhood Fuse Block - HVAC BLWR, ABS and HORN Fuses


Object Number: 1847432  Size: FS
Master Electrical Component List
Control Module References
Underhood Fuse Block - IP Fuse, DR/LOCK and STOP LAMPS Fuses
Underhood Fuse Block Battery Feeds - 3 of 3
Underhood Fuse Block - Battery Feeds - 1of 2
Figure 5:

Underhood Fuse Block - IP FUSE, DR/LOCK and STOP LAMPS Fuses


Object Number: 1847433  Size: FS
Master Electrical Component List
Control Module References
Underhood Fuse Block - FRT FOG, DRIVER PWR W/DW and PWR WNDW Fuses
Underhood Fuse Block - HVAC Blower, ABS, and HORN Fuses
Underhood Fuse Block - Battery Feeds - 1of 2
Figure 6:

Underhood Fuse Block - FRT FOG, DRIVER'S PWR W/DW and PWR WNDW Fuses


Object Number: 1360801  Size: FS
Master Electrical Component List
Underhood Fuse Block - HEADLAMPS FUSE
Underhood Fuse Block - IP Fuse, DR/LOCK and STOP LAMPS Fuses
Underhood Fuse Block - Battery Feeds - 1of 2
Figure 7:

Underhood Fuse Block - HEAD LAMPS FUSE


Object Number: 1456518  Size: FS
Master Electrical Component List
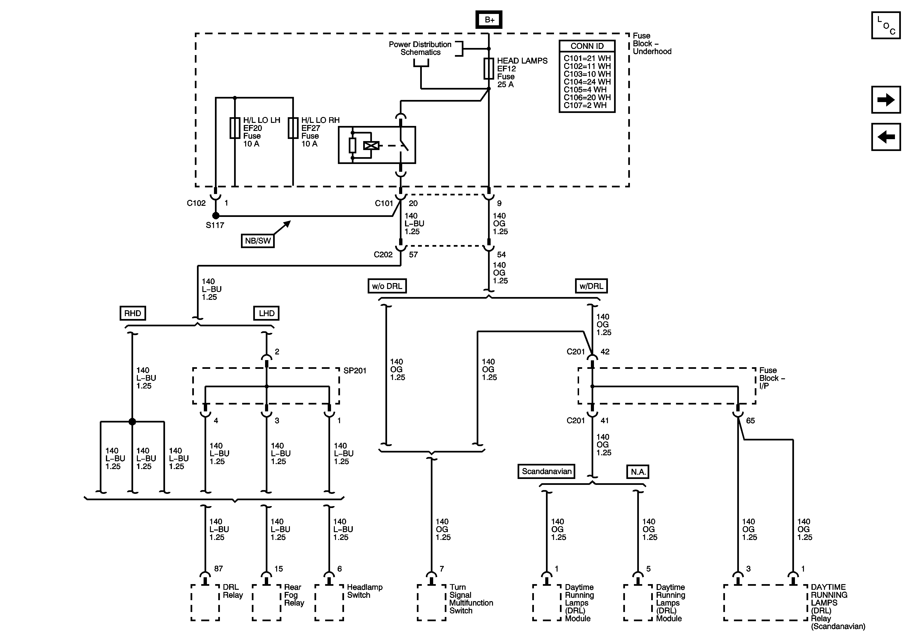
Underhood Fuse Block - LOW BEAM LT, LOW BEAM RT, ILLUM LT, ILLUM RT, and HI BEAM Fuses
Underhood Fuse Block - FRT FOG, DRIVER PWR W/DW and PWR WNDW Fuses
Underhood Fuse Block - Battery Feeds - 1of 2
Figure 8:

Underhood Fuse Block - LOW BEAM LT, LOW BEAM RT, ILLUM LT, ILLUM RT, and HI BEAM Fuses


Object Number: 1360802  Size: FS
Master Electrical Component List
Control Module References
Underhood Fuse Block - SP204
Underhood Fuse Block - HEADLAMPS FUSE
Underhood Fuse Block - SP204
Figure 9:

SP204


Object Number: 1360803  Size: FS
Master Electrical Component List
Underhood Fuse Block - A/C, DEFOG, and MIR HTD Fuses
Underhood Fuse Block - LOW BEAM LT, LOW BEAM RT, ILLUM LT, ILLUM RT, and HI BEAM Fuses
Underhood Fuse Block - LOW BEAM LT, LOW BEAM RT, ILLUM LT, ILLUM RT, and HI BEAM Fuses
Figure 10:

Underhood Fuse Block - A/C, DEFOG, and MIR HTD Fuses


Object Number: 1360805  Size: FS
Master Electrical Component List
Control Module References
Underhood Fuse Block - MAIN Relay and ECM, ENG SNSR, and INJ Fuses - Sirius D4
Underhood Fuse Block - SP204
Underhood Fuse Block - Battery Feeds - 1of 2
Figure 11:

Underhood Fuse Block - MAIN Relay and ECM, ENG SNSR, and INJ Fuses - Sirius D4


Object Number: 1360806  Size: FS
Master Electrical Component List
Underhood Fuse Block - MAIN Relay and ECM, ENG SNSR, and INJ Fuses - MR-140
Underhood Fuse Block - A/C, DEFOG, and MIR HTD Fuses
Underhood Fuse Block - Battery Feeds - 1of 2
Figure 12:

Underhood Fuse Block - MAIN Relay and ECM, ENG SNSR, and INJ Fuses - MR-140


Object Number: 1847435  Size: FS
Master Electrical Component List
Control Module References
Underhood Fuse Block - MAIN Relay and ECM, ENG SNSR, and INJ Fuses - HV240
Underhood Fuse Block - MAIN Relay and ECM, ENG SNSR, and INJ Fuses - Sirius D4
Underhood Fuse Block - Battery Feeds - 1of 2
Figure 13:

Underhood Fuse Block - MAIN Relay and ECM, ENG SNSR, and INJ Fuses - HV240


Object Number: 1360809  Size: FS
Master Electrical Component List
Underhood Fuse Block - MAIN Relay and ECM, ENG SNSR, and INJ Fuses - MT34
Underhood Fuse Block - MAIN Relay and ECM, ENG SNSR, and INJ Fuses - MR-140
Underhood Fuse Block - Battery Feeds - 1of 2
Figure 14:

Underhood Fuse Block - MAIN Relay and ECM, ENG SNSR, and INJ Fuses - MT 34


Object Number: 1708719  Size: FS
Master Electrical Component List
Control Module References
Underhood Fuse Block - COOL FAN LOW and COOL FAN HI Fuses
Underhood Fuse Block - Battery Feeds - 1of 2
Figure 15:

Underhood Fuse Block - MAIN Relay and ECM, ENG SNSR Fuses - Diesel


Object Number: 1891500  Size: FS
Figure 16:

Underhood Fuse Block - COOL FAN LOW and COOL FAN HI Fuses


Object Number: 1891501  Size: FS
Master Electrical Component List
Control Module References
Underhood Fuse Block - FUEL PUMP Relay and FUEL PUMP and IGN COIL Fuses
Underhood Fuse Block - MAIN Relay and ECM, ENG SNSR, and INJ Fuses - MT34
Underhood Fuse Block - Battery Feeds - 1of 2
Figure 17:

Underhood Fuse Block - FUEL PUMP Relay and FUEL PUMP and IGN COIL Fuses


Object Number: 1891502  Size: FS
Master Electrical Component List
Underhood Fuse Block - ECM Fuse
Underhood Fuse Block - COOL FAN LOW and COOL FAN HI Fuses
Underhood Fuse Block - Battery Feeds - 1of 2
Figure 18:

Underhood Fuse Block - ECM Fuse


Object Number: 1360812  Size: FS
Master Electrical Component List
Underhood Fuse Block - BATT PWR, IGN 1 and IGN 2, Fuses, Ignition Switch, I/P Fuse Block - RADIO, IMMOBILIZER, DLC, AUTO A/C, HAZARD LAMPS, RKE TCM, and REAR FOG/CRUISE Fuses
Underhood Fuse Block - FUEL PUMP Relay and FUEL PUMP and IGN COIL Fuses
Underhood Fuse Block - Battery Feeds - 1of 2
Figure 19:

Underhood Fuse Block - BATT PWR, IGN 1 and IGN 2 Fuses, Ignition Switch, I/P Fuse Block - RADIO, IMMOBILIZER, DLC, AUTO A/C, HAZARD LAMPS, RKE, TCM, and REAR FOG/CRUISE Fuses


Object Number: 1847436  Size: FS
Master Electrical Component List
Control Module References
I/P Fuse Block - CLSTR, AIR BAG, BCK/UP and ENG FUSE BOX DRL Fuses
Underhood Fuse Block - ECM Fuse
Underhood Fuse Block - Battery Feeds - 1of 2
I/P Fuse Block - CLSTR, AIR BAG, BCK/UP and ENG FUSE BOX DRL Fuses
I/P Fuse Block - RADIO/CLK, AUX LTR, and LTR Fuses
I/P Fuse Block - HVAC and S/ROOF HTD/SEAT Fuses
Figure 20:

I/P Fuse Block - CLSTR, AIR BAG, BCK/UP and ENG FUSE BOX DRL Fuses


Object Number: 1847437  Size: FS
Master Electrical Component List
Control Module References
I/P Fuse Block - ABS, IMMOBILIZER, WPR, and TRN SIG LAMPS Fuses
Underhood Fuse Block - BATT PWR, IGN 1 and IGN 2, Fuses, Ignition Switch, I/P Fuse Block - RADIO, IMMOBILIZER, DLC, AUTO A/C, HAZARD LAMPS, RKE TCM, and REAR FOG/CRUISE Fuses
Underhood Fuse Block - BATT PWR, IGN 1 and IGN 2, Fuses, Ignition Switch, I/P Fuse Block - RADIO, IMMOBILIZER, DLC, AUTO A/C, HAZARD LAMPS, RKE TCM, and REAR FOG/CRUISE Fuses
I/P Fuse Block - ABS, IMMOBILIZER, WPR, and TRN SIG LAMPS Fuses
Figure 21:

I/P Fuse Block - ABS, IMMOBILIZER, WPR, and TRN SIG LAMPS Fuses


Object Number: 1847438  Size: FS
Master Electrical Component List
Control Module References
I/P Fuse Block - ECM Fuse
I/P Fuse Block - CLSTR, AIR BAG, BCK/UP and ENG FUSE BOX DRL Fuses
I/P Fuse Block - CLSTR, AIR BAG, BCK/UP and ENG FUSE BOX DRL Fuses
Figure 22:

I/P Fuse Block - ECM Fuse


Object Number: 1847439  Size: FS
Master Electrical Component List
Control Module References
I/P Fuse Block - HVAC and S/ROOF HTD/SEAT Fuses
I/P Fuse Block - ABS, IMMOBILIZER, WPR, and TRN SIG LAMPS Fuses
Underhood Fuse Block - Battery Feeds - 1of 2
Figure 23:

I/P Fuse Block - HVAC and S/ROOF HTD/SEAT Fuses


Object Number: 1847440  Size: FS
Master Electrical Component List
Control Module References
I/P Fuse Block - RADIO/CLK, AUX LTR, and LTR Fuses
I/P Fuse Block - ECM Fuse
Underhood Fuse Block - BATT PWR, IGN 1 and IGN 2, Fuses, Ignition Switch, I/P Fuse Block - RADIO, IMMOBILIZER, DLC, AUTO A/C, HAZARD LAMPS, RKE TCM, and REAR FOG/CRUISE Fuses
Figure 24:

I/P Fuse Block - RADIO/CLK, AUX LTR, and LTR Fuses


Object Number: 1891503  Size: FS
Master Electrical Component List
I/P Fuse Block - HVAC and S/ROOF HTD/SEAT Fuses
Underhood Fuse Block - BATT PWR, IGN 1 and IGN 2, Fuses, Ignition Switch, I/P Fuse Block - RADIO, IMMOBILIZER, DLC, AUTO A/C, HAZARD LAMPS, RKE TCM, and REAR FOG/CRUISE Fuses