GM Service Manual Online
For 1990-2009 cars
Figure 1:

TCM Power, Ground, MIL, Serial Data, Shift Program Switch


Object Number: 1888486  Size: FS
Master Electrical Component List
Control Module References
Transmission Solenoids, Stoplamp Switch
I/P Fuse Block - ECM Fuse
I/P Fuse Block - ECM Fuse
Underhood Fuse Block - BATT PWR, IGN 1 and IGN 2, Fuses, Ignition Switch, I/P Fuse Block - RADIO, IMMOBILIZER, DLC, AUTO A/C, HAZARD LAMPS, RKE TCM, and REAR FOG/CRUISE Fuses
Park/Neutral Position (PNP) Switch
Data Communications Schematics
G201 (1 of 2)
G203
G201 (1 of 2)
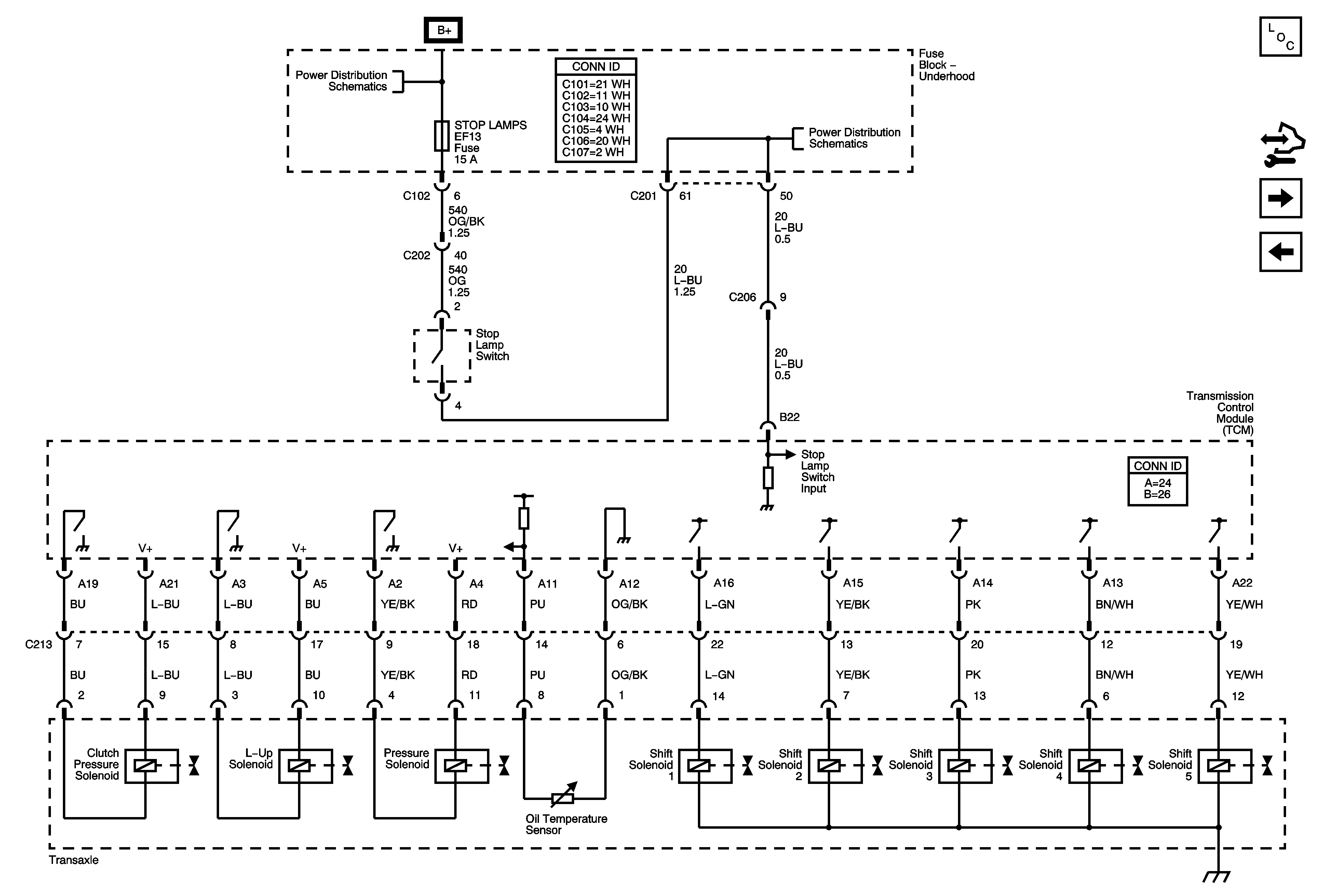
Figure 2:

Transmission Solenoids, Stop Lamp Switch


Object Number: 1888488  Size: FS
Master Electrical Component List
Control Module References
Input Shaft, Output Shaft, Vehicle Speed Sensors
TCM Power, Ground, MIL, Serial Data, Shift Program Switch
Underhood Fuse Block - Battery Feeds - 1of 2
Underhood Fuse Block - Battery Feeds - 1of 2
Figure 3:

Input Shaft, Output Shaft, Vehicle Speed Sensors


Object Number: 1888489  Size: FS
Master Electrical Component List
Control Module References
Park/Neutral Position (PNP) Switch
Transmission Solenoids, Stoplamp Switch
Figure 4:

Park/Neutral Position (PNP) Switch


Object Number: 1888491  Size: FS
Master Electrical Component List
Control Module References
Input Shaft, Output Shaft, Vehicle Speed Sensors
Starting
TCM Power, Ground, MIL, Serial Data, Shift Program Switch
G201 (1 of 2)
G201 (1 of 2)