GM Service Manual Online
For 1990-2009 cars
Figure 1:

Power, Ground, Hold Switch and DLC


Object Number: 1844977  Size: FS
Master Electrical Component List
Control Module References
Shift and Pressure Control Solenoids
Underhood Fuse Block - Battery Feeds - 1of 2
Underhood Fuse Block - Battery Feeds - 1of 2
Underhood Fuse Block - Battery Feeds - 1of 2
Park/Neutral Position (PNP) Switch
Data Communications Schematics
G201 (1 of 2)
G203
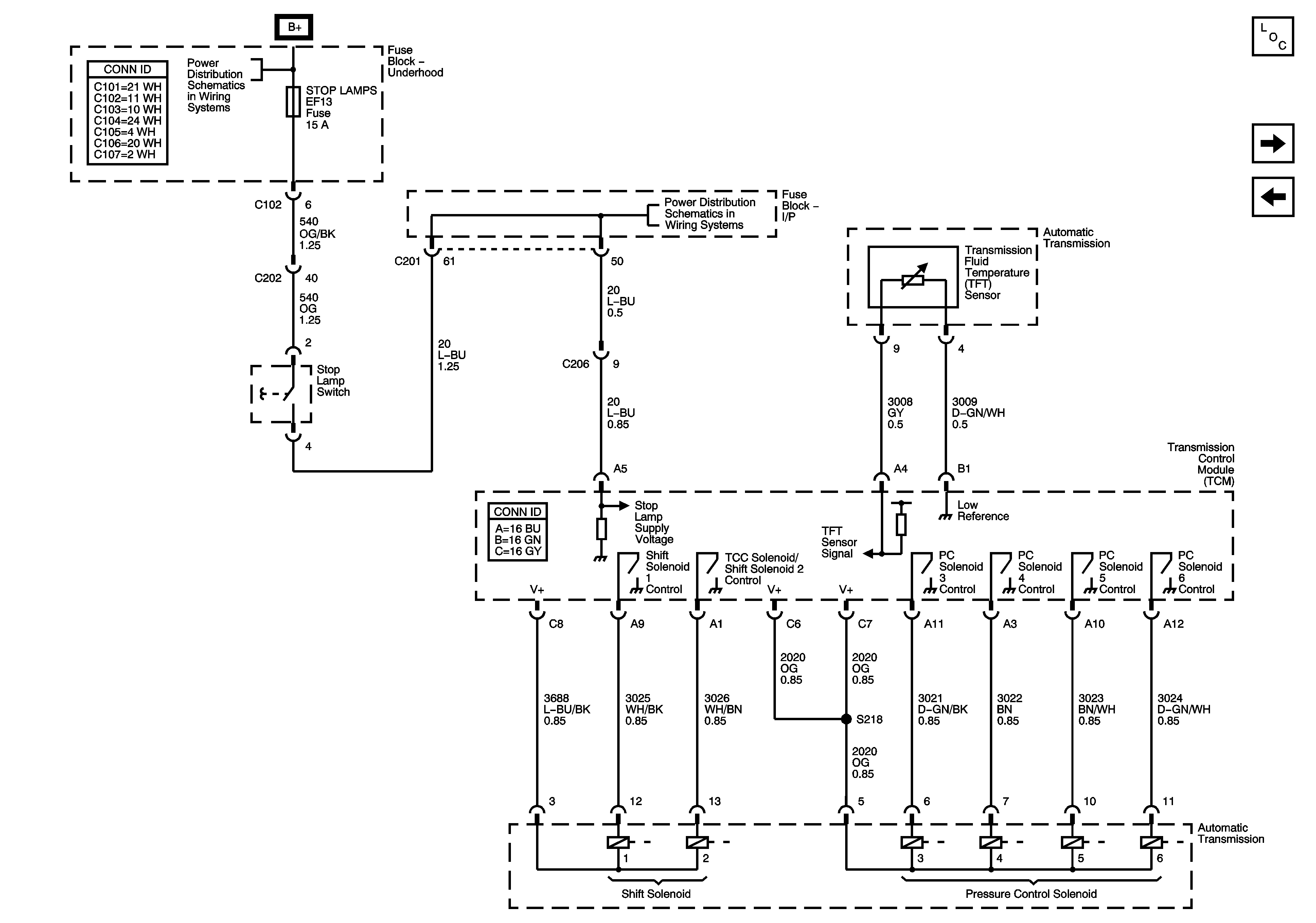
Figure 2:

Shift and Pressure Control Solenoids


Object Number: 1360836  Size: FS
Master Electrical Component List
Vehicle Speed Signal
Power, Ground, Hold Switch and DLC
Underhood Fuse Block - Battery Feeds - 1of 2
Underhood Fuse Block - Battery Feeds - 1of 2
Figure 3:

Vehicle Speed Signal


Object Number: 1844978  Size: FS
Master Electrical Component List
Park/Neutral Position (PNP) Switch
Shift and Pressure Control Solenoids
Figure 4:

Park/Neutral Position (PNP) Switch


Object Number: 1844979  Size: FS
Master Electrical Component List
Control Module References
Vehicle Speed Signal
Starting
Power, Ground, Hold Switch and DLC
G201 (1 of 2)