GM Service Manual Online
For 1990-2009 cars
Makes
🢒
Holden
🢒
2006
🢒
Viva
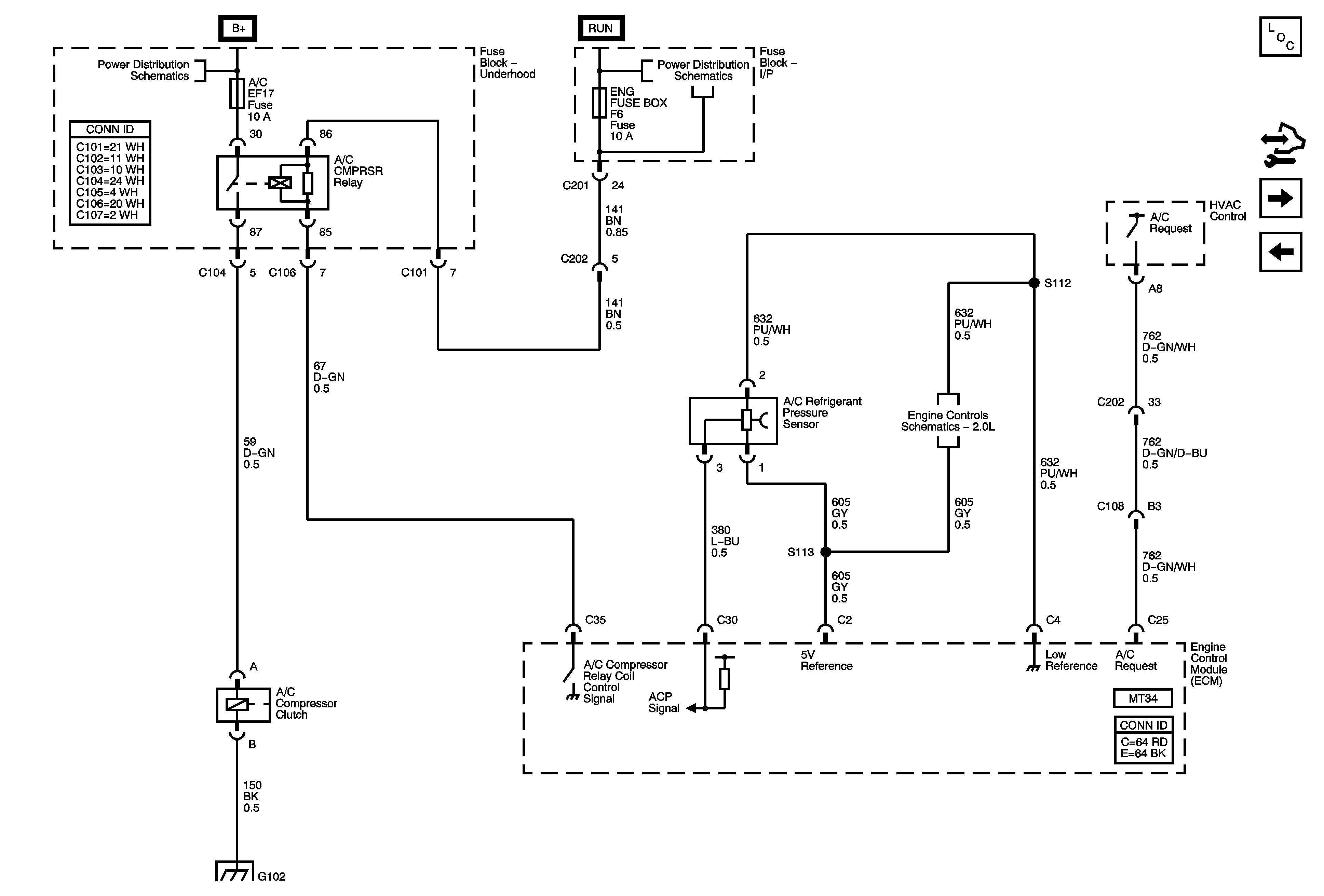
🢒 Compressor Controls MT34
Compressor Controls MT34
Compressor Controls - MT34
Master Electrical Component List
Underhood Fuse Block A/C, DEFOG, and MIR HTD Fuses
I/P Fuse Block CLSTR, AIR BAG, BCK/UP and ENG FUSE BOX DRL Fuses
CKP, CMP, Knock Sensors, Rough Road Sensor
G102