GM Service Manual Online
For 1990-2009 cars
Makes
🢒
Holden
🢒
2006
🢒
Viva
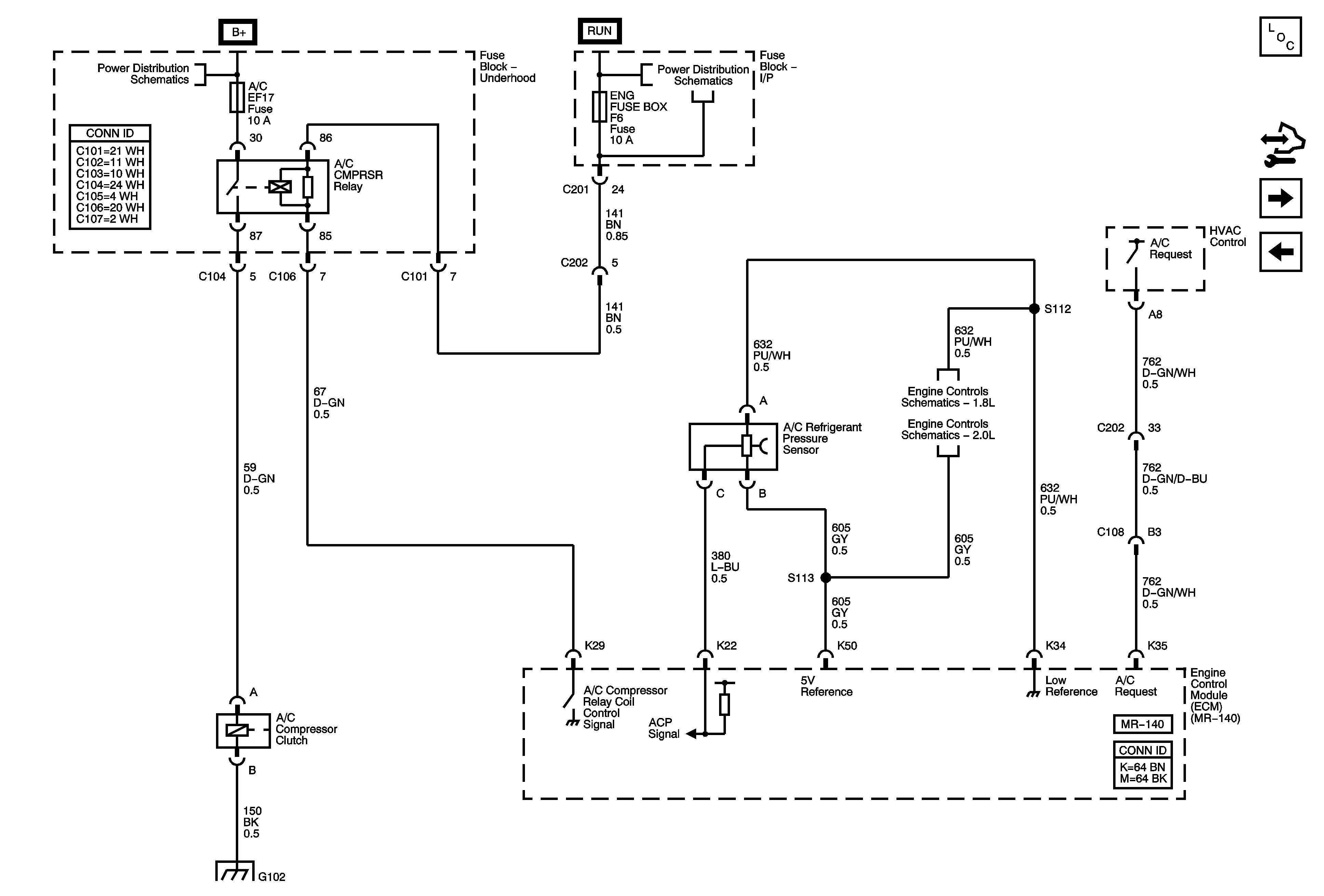
🢒 Compressor Controls MR 140
Compressor Controls MR 140
Compressor Controls - MR-140
Master Electrical Component List
Underhood Fuse Block A/C, DEFOG, and MIR HTD Fuses
I/P Fuse Block CLSTR, AIR BAG, BCK/UP and ENG FUSE BOX DRL Fuses
Controlled/Monitored Subsystem References
Controlled/Monitored Subsystem References
Controlled/Monitored Subsystem References
G102