GM Service Manual Online
For 1990-2009 cars
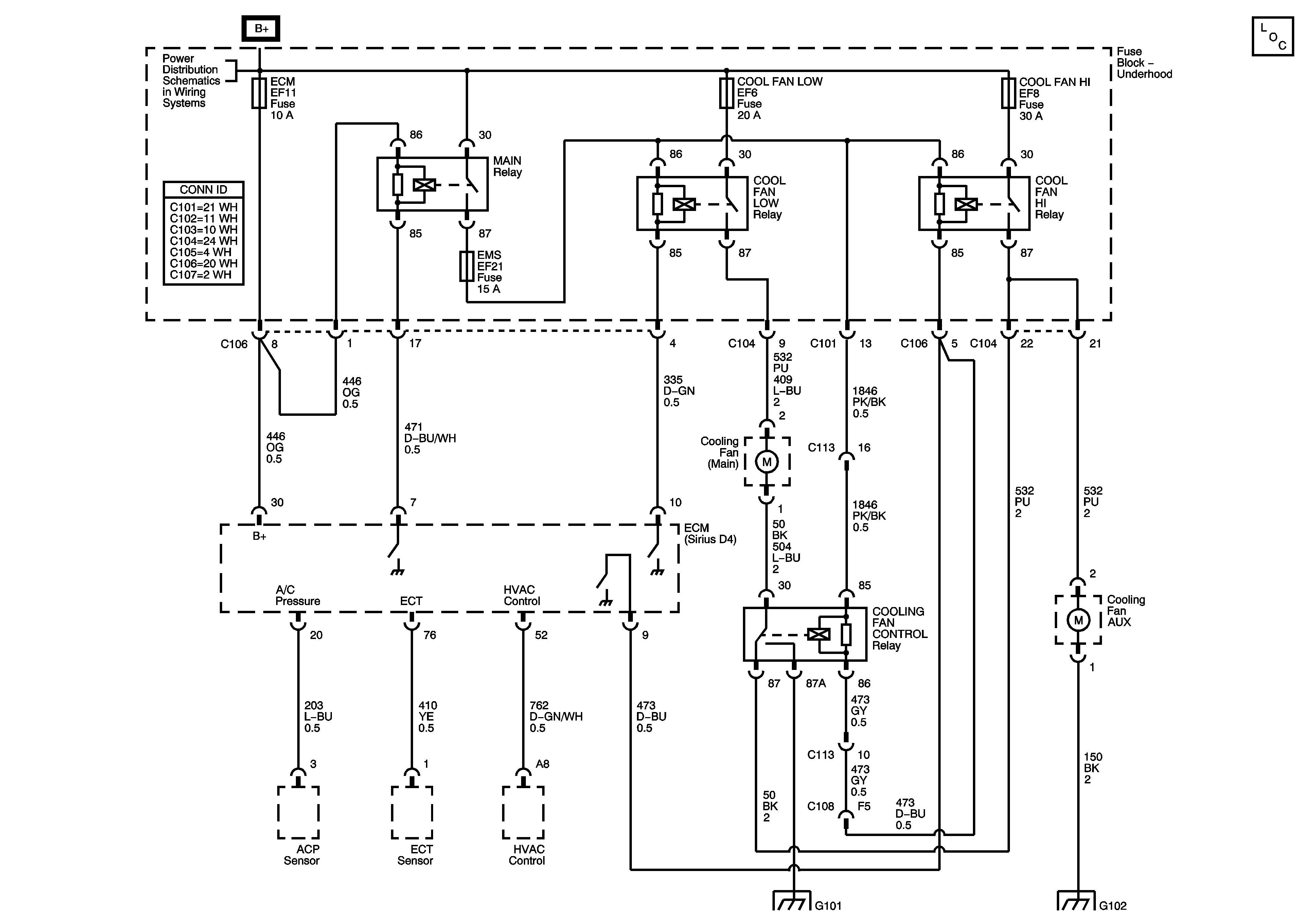
Figure 1:

MR-140


Object Number: 1650832  Size: FS
Master Electrical Component List
I/P Fuse Block ECM Fuse
Underhood Fuse Block COOL FAN LOW and COOL FAN HI Fuses
G201 (1 of 2)
G101
G102
Figure 2:

Sirius-D4


Object Number: 1650833  Size: FS
Master Electrical Component List
Underhood Fuse Block MAIN Relay and ECM, ENG SNSR, and INJ Fuses 1.2L
G101
G102
Figure 3:

HV-240


Object Number: 1650835  Size: FS
Master Electrical Component List
I/P Fuse Block ECM Fuse
Underhood Fuse Block COOL FAN LOW and COOL FAN HI Fuses
G201 (1 of 2)
G101
G102
Figure 4:

MT34


Object Number: 1708722  Size: FS
Master Electrical Component List
I/P Fuse Block ECM Fuse
Underhood Fuse Block COOL FAN LOW and COOL FAN HI Fuses
G101
G102